Contact us Heritage collections Image license terms
HOME ACL Associates Technology Literature Applications Society Software revisited
Further reading □ Contents1. Introduction2. FR80 features3. Applications software4. FR80 output5. Applications6. Carriage controls7. Character codes8. Form Design Language9. FR80 standard data format
ACD C&A INF CCD CISD Archives Contact us Heritage archives Image license terms

Search

   
ACLLiteratureManualsFR80
ACLLiteratureManualsFR80
ACL ACD C&A INF CCD CISD Archives
Further reading

Contents
1. Introduction
2. FR80 features
3. Applications software
4. FR80 output
5. Applications
6. Carriage controls
7. Character codes
8. Form Design Language
9. FR80 standard data format

FR80 User Manual

Chapter 4: FR 80 Output

CAMERAS

4.1 The FR 80 is equipped with a standard precision camera mount that fits a large selection of optional cameras, thus providing broad flexibility for film recording requirements (see table 2-1 for FR 80 camera options and film formats).

Model 8020 35mm Sprocketed Camera

4.2 (For Movies, Reproduction Masters, and Strip Charts.) This camera has a sprocketed, pin-registered movement and is ideal for producing computer animated movies as well as reproduction masters. The pin-registration also makes the camera useful for making accurate abutments for strip charting.

Model 8021 16mm Sprocketed Camera

4.3 (For Movies.) With its sprocketed, pin-registered movement, this camera is very good for computer animation. This is the camera's primary use, since its small image size gives it limited appeal for precision plotting or abutting.

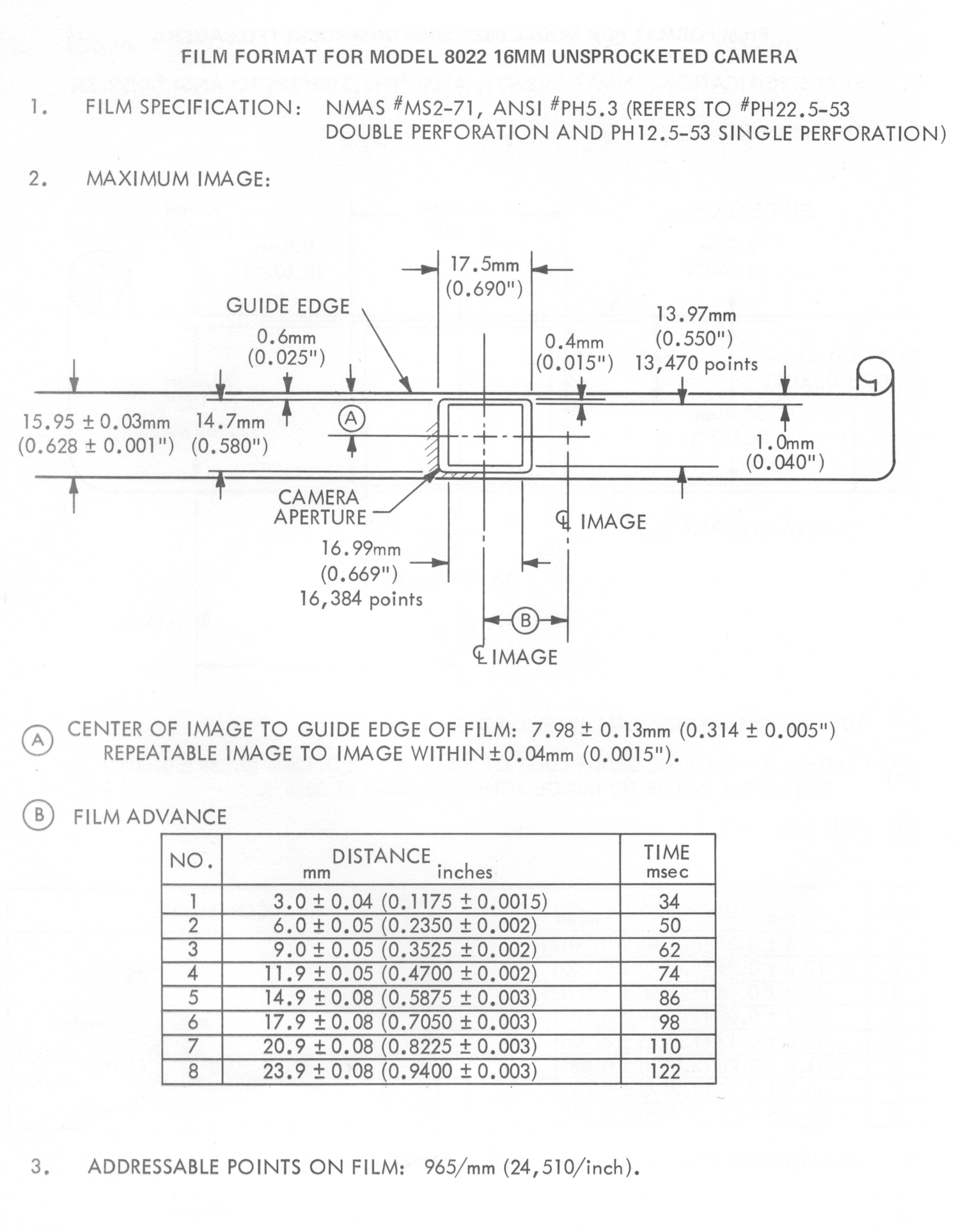
Model 8022 16mm Unsprocketed Camera

4.4 (For Retrieval, Plotting, and Printing.) Before the introduction of the fiche camera, this was the basic camera for alphanumeric data storage and retrieval systems. To take maximum advantage of the FR 80's high resolution, some users also specify this camera for plotting as well as printing.

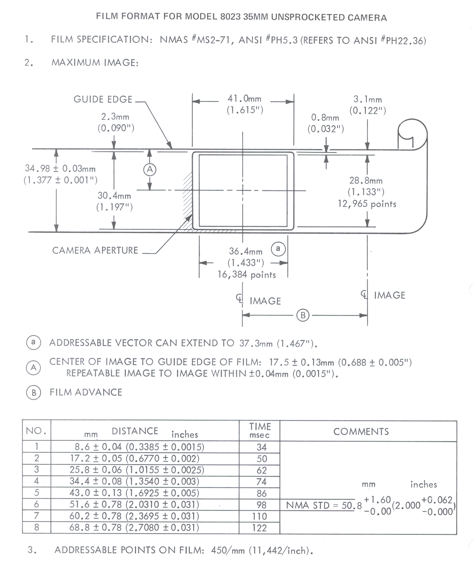
Model 8023 35mm Unsprocketed Camera

4.5 (For Aperture Cards and Offset Printing Plates.) This is an unsprocketed camera with a maximum image area for recording plot data. The format is adaptable for mounting in aperture cards. This camera is also used to record film for making offset printing plates.

Model 8024 16mm Unsprocketed Camera

4.6 (For Strip Fiche.) This is basically the same camera as the Model 8022 except that it has a larger image area. It is used to record double-page formats at 24x and is able to space frames at the 0.25mm increments common in fiche formats.

Model 8025 105mm Unsprocketed Camera

4.7 (For Microfiche.) The Model 8025 camera normally records in columns, but the row format can be used at a sacrifice in recording time and positioning accuracy. The camera has standard 24X and 42X format control disks. Other formats and reductions are accommodated through standard FR 80 software. The camera aperture permits the recording of a double-page (20mm) image at 24X. An optional adapter kit is available for converting the camera to 16mm; however, the use of 16mm film in this camera is subject to certain limitations, and the user may find that it is better to use a separate 16mm camera.

4.8 Fiche titling is accomplished with standard FR 80 software (see par. 4.14).

Model 8026 35mm Unsprocketed Camera

4.9 (For High-Resolution Aperture Cards and Offset Printing Plates.) A specially designed lens system and mounting make this the best camera for quality recording. Its popularity for engineering drawing aperture card systems is based on its ability to record "AHU" type film at standard speeds. The high resolution permits the recording of E-size drawings (34" x 44") at 30X, and the fifth generation reproduction is quite clear.

4.10 Another important application is in recording 35mm frames with one or more pages per frame on high-resolution film from which high-quality metal and paper plates are produced for normal offset printing requirements.

FILM FORMATS

Micofiche

4.11 The FR 80 is capable of generating microfiche in the standard formats shown in table 4-1. Specification sheets for several of these formats are shown later.

TABLE 4-1 FR 80 MICROFICHE FORMATS

Format designation reduction ratio Images per fiche
(without titles
Original document
size (inches)
NMA A1 24X 112 8-1/2 × 11
NMA A3 24X 72 14 × 11
III 24X 56 17 × 11
NMA A4 42X 350 8-1/2 × 11
NMA A5 42X 224 14 × 11
III 42X 168 17 × 11
III 48X 448 8-1/2 × 11
III 48X 288 14 × 11
III 48X 224 17 × 11

4.12 At a reduction ratio of 42X, the system is capable of generating 192 frames (computer printout page) on each 4" x 6" microfiche, with sufficient room for titling across the top of the fiche. Pages are arranged in a 14 x 16 array using the top two rows of 32 pages as area for titling. At a reduction of 48X, 392 frames and titling (8-1/2" x 11" document) can be generated on each microfiche.

4.13 The microfiche camera on the FR 80 is currently capable of generating a pattern of sequential images in sequential columns. Selection of the specific format desired is under computer control.

Fiche Titling Format

4.14 For a detailed description of the FR 80 fiche titling format, see Chapter 6.

Microfiche Format A1

Microfiche Format A1
Full image ⇗
© UKRI Science and Technology Facilities Council

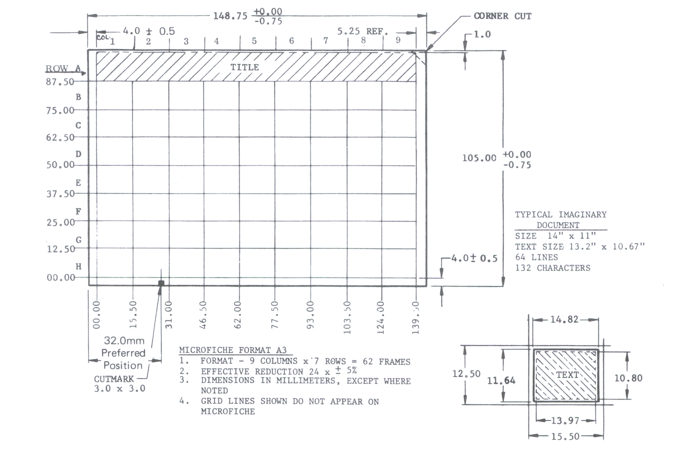
Microfiche Format A3

Microfiche Format A3
Full image ⇗
© UKRI Science and Technology Facilities Council

Microfiche Format A4

Microfiche Format A4
Full image ⇗
© UKRI Science and Technology Facilities Council

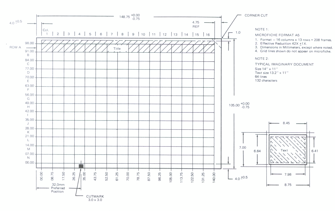
Microfiche Format A5

Microfiche Format A5
Full image ⇗
© UKRI Science and Technology Facilities Council

Roll Film

4.15 The diagrams before show the formats for l6mm, 35mm, and 105mm film produced by the FR 80.

TYPES OF OUTPUT

4.16 COM film is exposed by the CRT drawing a line. Any area not touched by light from the beam remains unexposed. Normal film processing produces an image with black lines on a clear background. This is called positive microfilm. Standard microfilm produced by photographing such items as typed pages or an engineering drawing has clear lines with a black background and is called negative microfilm.

4.17 Negative film is generally used for viewing and making enlarged paper prints or offset masters. Duplication on Diazo film produces the same negative image. The black background reduces problems of undesirable dust and dirt marks.

4.18 It is often desirable to make the COM output negative microfilm. This can be accomplished by reversal processing the film in a unit such as the Information International Model 5010 Film Processor. The image will then have clear lines on a black background.

4.19 A second method of obtaining negative appearing images is to duplicate the normal COM output (positive) with a vesicular film such as that made by Kalvar and Xidex. The copy will be negative.

4.20 When a duplicate is needed and the image polarity is to be the same as the original, reproducing should be made by using Diazo film.

4.21 Many viewer-printers are available for making hardcopy from microfilm. For high-volume single copies from roll film, a machine like the Xerox Copyflo is appropriate.

4.22 FR 80 output film can be run on various platemakers to produce paper or metal plates for various printing presses.

Model 8020 35mm Sprocketed Camera

Model 8020 35mm Sprocketed Camera
Full image ⇗
© UKRI Science and Technology Facilities Council

Model 8021 16mm Sprocketed Camera

Model 8021 16mm Sprocketed Camera
Full image ⇗
© UKRI Science and Technology Facilities Council

Model 8022 16mm Unsprocketed Camera

Model 8022 16mm Unsprocketed Camera
Full image ⇗
© UKRI Science and Technology Facilities Council

Model 8023 35mm Unsprocketed Camera

Model 8023 35mm Unsprocketed Camera
Full image ⇗
© UKRI Science and Technology Facilities Council

Model 8024 16mm Unsprocketed Camera

Model 8024 16mm Unsprocketed Camera
Full image ⇗
© UKRI Science and Technology Facilities Council

Model 8025 155mm Unsprocketed Camera

Model 8025 155mm Unsprocketed Camera
Full image ⇗
© UKRI Science and Technology Facilities Council

Model 8026 35mm Unsprocketed Camera

Model 8026 35mm Unsprocketed Camera
Full image ⇗
© UKRI Science and Technology Facilities Council
⇑ Top of page
© Chilton Computing and UKRI Science and Technology Facilities Council webmaster@chilton-computing.org.uk
Our thanks to UKRI Science and Technology Facilities Council for hosting this site